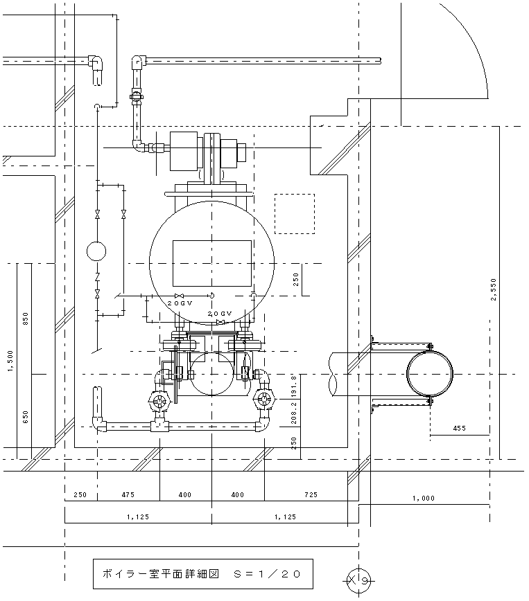
給湯ボイラ室平面詳細図  S=1/20
ダウンロード